고출력 1653.7nm 레이저 모듈은 칩 온 서브캐리어가 있는 평면 구조를 활용합니다. 높은 전원 칩은 에폭시와 플럭스가 없는 14핀 버터플라이 패키지로 밀봉되어 있으며 서미스터, 열전냉각기, 모니터 다이오드 등을 탑재해 고품질 레이저 성능을 확보했다. 메탄 가스 감지용 1653nm 40mW BTF 레이저 다이오드는 Telcordia GR-468 인증을 받았으며 RoHS 지침을 준수합니다.
고출력 1653.7nm 레이저 모듈은 칩 온 서브캐리어가 있는 평면 구조를 활용합니다. 고전력 칩은 에폭시 및 플럭스가 없는 14핀 버터플라이 패키지에 밀봉되어 있으며 서미스터, 열전기 냉각기 및 모니터 다이오드가 장착되어 고품질 레이저 성능을 보장합니다. 당사의 레이저 제품은 Telcordia GR-468 인증을 받았으며 RoHS 지침을 준수합니다.
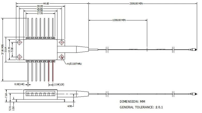
● 업계 표준 14핀 버터플라이 패키지;
● 내장 TEC 및 광 아이솔레이터;
● 고성능 MQW(다중양자우물) DFB(분산 피드백) 레이저.
● 가스 감지용 수동 부품의 생산 테스트;
● 섬유 가스 감지 시스템;
● 레이저 소스.
| 매개변수 | 상징 | 상태 | 최소 | 유형 | 최대. | 단위 |
| 중심 파장 | LC | Tl = 15 ~ 35℃ qu | 1652.7 | 1653.7 | 1654.7 | nm |
| 광 출력 전력 | 후에 | CW | - | 40 | - | 밀리와트 |
| LD 임계값 전류 | ITH | CW | - | 15 | 40 | 엄마 |
| LD 순방향 전류 | 만약에 | Pf =정격 전력 | - | 300 | 400 | 엄마 |
| 광학적 분리 | - | -10 < 기온 < +70℃ | 30 | - | - | 데시벨 |
| 사이드 모드 억제 비율 | SMSR | CW | 35 | 40 | - | 데시벨 |
| 책임감 모니터링 | 백신 접종 | - | - | 1 | 20 | 였습니다 / MW |
| 응답성 안정성 모니터링 | - | - | - | - | 20% | - |
| 암전류 모니터링 | ID | VPD =5V | - | - | 50 | 나 |
| TEC 전류 | 아이텍 | T케이스 =75℃ | - | - | 2 | A |
| 기술 전압 | VTEC | T케이스 =75℃ | - | - | 3.5 | V |
| TEC 전력 소비 | P | 온도 =25℃ | - | - | 5 | W |
| 서미스터 저항 | R번째 | T케이스 =75℃ | 9.5 | 10 | 10.5 | 콤 |
| 서미스터 B 상수 | B번째 | 온도 =25℃ | - | 3900 | - | K |
| 파장 드리프트(EOL) | △ λ | 25년 이상의 수명 동안 테스트됨 | - | - | ±0.1 | nm |
| 파도. 온도계수 | DL/Dt | TEC 온도 15℃ ~ 35℃ | - | 0.09 | - | nm/℃ |
| 파장 전류 계수 | DL/DI | - | - | 0.01 | - | NM/에 |

모든 제품은 배송 전에 테스트를 거쳤습니다.
모든 제품에는 1년 보증이 적용됩니다.(품질 보증 기간이 시작된 후에는 적절한 유지 관리 비용이 청구됩니다.)
귀하의 거래에 감사드리며 즉시 7일 반품 정책을 제공합니다. (상품 수령 후 7일)
당사 매장에서 구매한 품목의 품질이 완벽하지 않은 경우, 즉 전자적으로 제조업체 사양에 따라 작동하지 않는 경우 교체 또는 환불을 위해 당사에 반품하시면 됩니다.
품목에 결함이 있는 경우 배송 후 3일 이내에 당사에 알려주십시오.
환불 또는 교체 자격을 얻으려면 모든 품목을 원래 상태로 반품해야 합니다.
구매자는 발생한 모든 운송 비용을 책임집니다.
Q: 파장의 정확도는 무엇입니까?
답변: +/-0.5nm.
Q: 다른 버전의 출력 전력이 있습니까?
답: 10mW, 15mW, 50mW.
Copyright @ 2020 Shenzhen Box Optronics Technology Co., Ltd. -China 광섬유 모듈, 섬유 결합 레이저 제조업체, 레이저 부품 공급자 모든 권리 보유.